GATE VALVE – LONG SPIGOT SDR11 PE100-RC (316 SS+DZR)

METRIC-SIZED PRODUCTS

FLOW CONTROL

WATER: PN16 (316 SS+DZR)

TYPE A
TYPE B
TYPE C
TYPE D
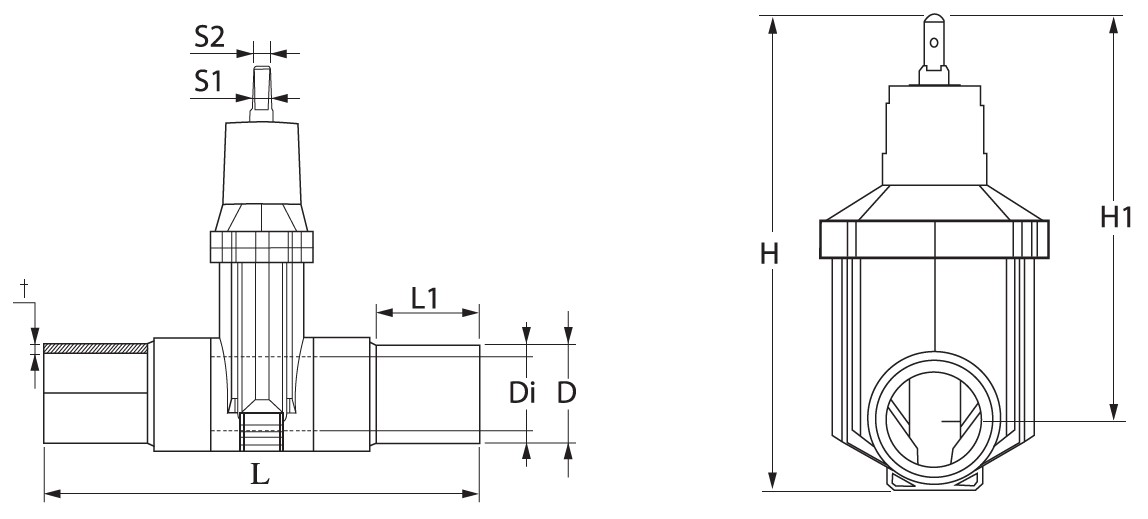
Code (316 SS+DZR) D Di L L1 H H1 t S1 S2
07211110000000320000 32 25 254 88 224 200 3,4 15 12
07211110000000400000 40 31 276 93 238 214 4,2 15 12
07211110000000500000 50 40 320 103 260 225 5,2 17 14
07211110000000630000 63 51 370 115 300 255 6,5 17 14
07211110000000750000 75 61 380 125 345 300 7,6 20,5 17
07211110000000900000 90 73 430 160 400 335 9 20,5 17
07211110000001100000 110 90 640 160 430 365 11 23 19
07211110000001250000 125 90 640 160 430 365 11 23 19
07211110000001400000 140 130 805 215 570 480 14 23 19
07211110000001600000 160 130 805 215 570 480 16 23 19
07211110000001800000 180 130 805 215 570 480 16 23 19
07211110000002000000 200 130 805 235 570 480 18 23 19
07211110000002250000 225 130 805 235 570 480 20 23 19
07211110000002500000 250 182 805 240 770 480 24 28 24
07211110000002800000 280 182 830 240 770 480 27 28 24
07211110000003150000 315 182 885 250 770 480 30 28 24